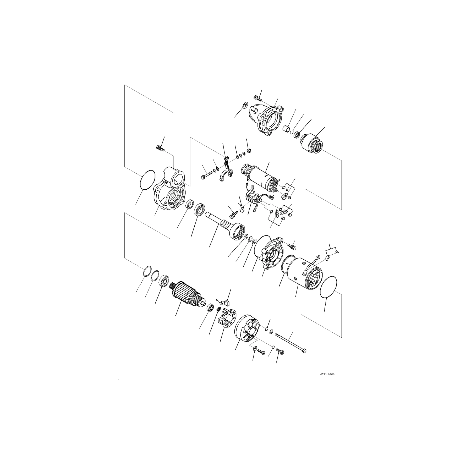
KD0-09057-0190 - PACKING Stater Motor Part for PC1250-8 PC200-8 PC270-8 Seal
Starter Motor 2873K601 2873K621 2873K631 2873K632 3586847 T410861 Fits Perkins 1104C 1106C 1006-60T Sisu 645DSBIE
CATERPILLAR STARTING MOTOR GP-ELECTRIC 3383454 338-3454 CA3383454 CAT
Starter Motor for JCB for Bamford for MasseyFerguson 806 806B 806C 2873A031 26274 26274A 12V NSB529 LRS232 26274 NSB531 NSB540
INQUIRY